Utilizare :
Masina hidraulica de nituit este folosita in general in toate ramurile industriale in care se utilizeaza piese nituite, cum ar fi industria automobilelor si tramvaielor etc. Echipata cu dispozitive adecvate, ea poate fi folosita la perforare, presare, etc.

Masina de nituit hidraulica este compusa din statia de pompare, falca de prindere a nitului, prastie, furtun de inalta presiune, dispozitiv de echilibrare, scripete, sina de ghidare, cilindru cu ulei de lucru, accesorii etc. Asamblarea si instalarea se fac in conformitate cu cerintele liniei de productie. Schema detaliata de instalare este urmatoarea:

Legenda :
High pressure hose = furtun de inalta presiune
Slide rail = sina de ghidare
Tackle = scripete
Spring balancer = dispozitiv de echilibrare cu arc
Seamless steel pipe = teava de otel fara cusatura
Balance weight = greutate de echilibrare
Sling = prastie
Riveting clamp-oil cylinder group = grup falca de prindere nit – cilindru de ulei
Pump station = statie de pompare
Horizontal riveting clamp = falca de prindere nituire orizontala.
Subansamblul principal de comanda al masinii de nituit hidraulice de mare viteza este statia de pompare hidraulica, functionarea acesteia influentand desfasurarea normala a procesului de productie. Noi producem aceste masini de peste 20 de ani, astfel incat am acumulat suficienta experienta. Ca urmare a dezvoltarii industriei automobilelor, masina a fost perfectionata semnificativ. Prin inovatiile tehnice introduse timp de 20 de ani, performanta masinii a crescut, sistemul hidraulic este mai stabil, iar mentenanta acestuia este mai usor de realizat.


Exista doua tipuri de falci de prindere: suspendate (in consola) si orizontale, cele mai folosite fiind cele suspendate. Componentele principale sunt: cilindrul de ulei, corpul falcii de prindere, matrita de nituire mobila, matrita de nituire fixa si butonul cu maneta.
Pentru a se potrivi forma variata a pieselor de prelucrat cu marimea diametrului niturilor, noi fabricam falcile de prindere in serii, astfel incat clientul sa poata alege. Pentru falci de prindere cu cerinte speciale, puteti contacta compania noastra in orice moment.

Legenda :
Stationary riveting die = matrita de nituit fixa
Move riveting die = matrita de nituit mobila
The oil cylinder of riveting clamp = cilindrul de ulei al falcii de prindere pentru nituire
Handle button = buton cu manivela

Explicatii :
1. Explicare numar de cod: WB—※—H
WB: codul falcii de prindere
※: forta nominala de nituire (Ton)
H: lungimea bratului in consola al corpului falcii de prindere.
2. Alegeti falcile de prindere in functie de diametrul niturilor.
3. Specificatia pentru falci de prindere pentru nituire este prezentata mai jos. Putem fabrica si falci de prindere cu alte specificatii, in conformitate cu cererea clientului.



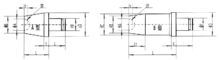
Matritele de nituit pot fi clasificate in matrite de nituit mobile si matrite de nituit fixe, ele sunt montate pe tija pistonului si, respectiv, pe falca de prindere (matrita de nituit fixa orizontala este montata pe falca de prindere prin intermediul capacului matritei de nituit). Dimensiunea matritei de nituit este potrivita pentru toate tipurile de forme de nituri din seria standard, insa noi putem executa, la cerere, matrite de nituit speciale. In general, matrita de nituit de tip A este utilizata pentru falci de prindere suspendate, iar matrita de tip B este utilizata pentru falci de prindere orizontale.


Legenda :
Riveting clamp cylinder = cilindrul falcii de prindere
Stationary riveting die = matrita de nituit fixa
Move riveting die = matrita de nituit mobila
Riveting clamp body = corpul falcii de prindere
Cabinet base = postamentul masinii

Explicatii :
1. Explicare numar de cod: WBW—※—H
WBW: codul falcii de prindere orizontale
※: forta nominala de nituire (Tone)
H: lungimea bratului in consola al falcii de prindere (conform tabelului 2 de specificatii pentru falci de prindere orizontale)
2. Alegeti falcile de prindere in functie de diametrul niturilor.
3. Specificatia pentru falci de prindere pentru nituire este prezentata mai jos. Putem fabrica si falci de prindere cu alte specificatii, in conformitate cu cererea clientului.

Falca de prindere in consola este instalata pe dispozitivul de suspendare pentru a putea functiona; cu acest dispozitiv de suspendare, falca de prindere se poate deplasa liber, astfel incat ea se poate indrepta rapid catre piesa de nituit. Dispozitivele de suspendare pot fi de mai multe tipuri, ele pot fi clasificate in dispozitive de suspendare echilibratoare in functie de metoda de echilibrare folosita. Schema de instalare este urmatoarea:

Legenda :
- Tackle = scripete
- Safety rope = franghie de siguranta
- Balance weight = greutate de echilibru
- Balancer = echilibrator
- Sling = prastie.
Greutatea de echilibru sau echilibratorul cu arc sunt instalate pe portiunea dintre scripete si falca de prindere, ele sunt folosite pentru a echilibra greutatea falcii de prindere. Cand actionam falca de prindere, putem deplasa falca de prindere in jurul axei sale si la stanga-dreapta cu usurinta. Greutatea de echilibru este realizata in functie de greutatea falcii de prindere. Echilibratorul cu arc este o piesa procurata prin achizitie, putand alege marimea acesteia in functie de greutatea falcii de prindere.
In functie de diferitele cerinte de utilizare, prastiile pot fi clasificate in cateva tipuri generale, conform diagramei urmatoare. Prastiile de tip standard si cele de tip special pot fi rotite cu 180° si pot fi utilizate pentru a nitui piese obisnuite. Prastia de tip manivela (parghie) poate fi de asemenea rotita la 180° si se utilizeaza pentru nituirea pieselor de prelucrat cu unghi inclinat. Noi furnizam prastia tip standard cand produsele noastre pleaca din fabrica, insa daca clientul are cerinte speciale, este rugat sa specifice acest lucru cand face comanda.

Legenda :
Standard type sling (A type) = prastie tip standard (tip A)
Standard type sling (B type) = prastie tip standard (tip B)
Special type sling (A type) = prastie tip special (tip A)
Special type sling (B type) = prastie tip special (tip B)